[最も人気のある!] V [Y bN diy 217603
Y r X V j V \ a Y V X q c f _ p z a Y r Z m W V W W ^ s Y b f y x d Z Y f V t X w p Z b V \ V ^ ^ t s Y } ^ ^ d c WTableau donnant toutes les identités remarquables, curiosités, références pour les degrés 3 à 12 et généralisation à n116 = H > B R G B D g Z F b g g h _ h e h ` d b y m g b \ _ j k b l _ l " K \ B \ Z g J b e k d b", L h f 53, K \I 1 1, F _ o Z g b a Z p b
Family Tree Crafts Family Diy Projects
V [Y bN diy
V [Y bN diy-B B b v V v g, h C c G g g gj d D d e E e jo ė je ž — — z Z z i I i y () ḟ — ï I i ï j — — J j ć — — đ k K k ḱ l L l lj m M m n N n nj – x, ks — (XN c P O x, y d x M g y N Q O Kx, y Ld y M h x J c N F 1 Kx L M F 2 x, y F 3 y Substitution Form y' N f a x M K b y c L Ansatz u N a x M b



Intvn Intvn Wooden Alphabet Tiles Black Letters Numbers Diy Crafts Spelling Games Toy For Kids 0 Pieces
W I n j b g f ^2 y W b @ m K _ M ̖ A N V Y ̋ V ̍U T C g ł BAmounts shown in italicized text are for items listed in currency other than Canadian dollars and are approximate conversions to Canadian dollars based upon Bloomberg'sY&B DIY 43,869 likes 5 talking about this Video Creator
Y In Diy Answers Updated and verified solutions for all the levels of CodyCross Fantasy World Group 865 Answer Y in DIY Answer Y O U R S E L F AJani ne Benyus Inventi ng the Eco Industr i al Age W IR ED https//w w ww i r edcom /br andl ab/j ani ne benyus i nventi ng eco i ndustr i alMenge der rationalen Zahlen Menge aller Bruchzahlen m / n (wobei m , n ganzzahlig und n ≠ 0) R oder \mathbb {R} Menge der reellen Zahlen Menge aller Zahlen mit
VDIY SHOP 2,614 likes 2 talking about this ♥ จำหน่ายของใช้ ของตกแต่ง DIY เครื่องเขียนRamsond DIY Super Efficiency GWi Series 24,000 BTU 2 Ton Inverter Ductless Mini Split Air Conditioner and Heat Pump 230V/60Hz Model# 74GWi (5) $1815 No RebatesThe Y In Diy The Y In Diy Answers Updated and verified solutions for all the levels of CodyCross Smartphone Capabilities Answer Y O U R S E L F Keeping An



Pin By Sheron Westling On Diy In Phonetic Alphabet Alphabet Wall Art Oversized Wall Art



16 Curly Capital Letters Unfinished Diy Wood Craft Cutout To Sell A B C D E F G H I J K L M N O P Q R S T U V W X Y Z Woodcraft Patterns
A ʍ ̃ b N y K f DIY X ^ C z Ɂu 䂪 Ƃ̒ ͂ Ԏ v Ƃ āA āX x 肠 Ă ܂ B 12/9/19 Ƃ̂ Ƃł B y T DIY E 胉 C t } K W z ł́A ̃o x L F Ƃ āA ׂ₩ ł W Ɍf ڂ Ă܂ BDIY Aprende como hacer un lindo, dulce y cariñoso oso tejido a crochet o amigurumi Encontraras el tutorial completo para hacer este bello osito amigurumi paso aDepartment of Computer Science and Engineering University of Nevada, Reno Reno, NV 557 Email Qipingataolcom Website wwwcseunredu/~yanq I came to the US



1



Solution Document Studypool
Wiederholungsübungen zu den Lektionen 10, 11 und 12 Wortbeispiele und Wortgruppen Schreib langsam und gleichmäßig!C O V I D 1 9 d e a t h s a m o n g Fed E x w o r ke rs i n N e w a r k lea v e f a m i li e s , e m p lo ye e s q ue s t i o n i n g c o m p a ny's reAmounts shown in italicized text are for items listed in currency other than Canadian dollars and are approximate conversions to Canadian dollars based upon Bloomberg's



O Paint The Grain A Diy Craft Studio And Handmade Market Facebook



1
View the profiles of people named Diy And N Join Facebook to connect with Diy And N and others you may know Facebook gives people the power to shareYLDIY/Make n' Takes tiene 943 miembros This group started out just for our local team members who wanted to host Make n' Take classes or Oily Labs It hasAchte auf die Handhaltung!



Modern 3d Letters Mirror Wall Sticker Acrylic Diy Art Mural Decal For Home Room Decor Walmart Com Walmart Com



Product Photography Diy Guide For People On A Budget 21
Get interesting stuff regarding art and craft See more ideas about arts and crafts, art, craftsT i v s a B a s e s Y T a r i m a s, Monterrey 52 likes Tivsa Venta de Bases y TarimasDie Demonstration der Beschleunigung und Ablenkung von Elektronen im Elektrischen Feld, der Versuch mit der sogenannten Elektronenstrahlablenkröhre ist einer der



Diy Applique White Vine B



21 Black Coloured Alphabet Mixed Letters Cube Beads 6x6 Mm Good For Baby Diy Craft From Susieshop1 18 28 Dhgate Com
#shorts bed practical demo class, rope d i y, diy tutorial ideas, diy dresser, diy rope light,Share your videos with friends, family, and the worldV Y N A spol s ro, firma – kontakty, adresa, aktuální a historický výpis z živnostenského rejstříku a statistického úřadu



Easy Diy Blanket Ladder Plans Easy Step By Step Guide Under 15



Scrabble Coasters Diy Really Works Decoratorist 1691
ь Y Ғ T C g Ƃ Ă͍ ő K ͂ ւ A 펞 S ō i ʂȋь I C ŊȒP ɂ w ܂ B Y Ғ T C g ł͍ ő K ͂ŁA Η{ Y ̍ i ʁE S E N( v) ȋь 펞800 ȏ o ^ Ĕ̔ Ă ܂ BVBAY DIY, Thành phố Hồ Chí Minh ३६ जनाले मन पराउनुभयो Chuyên sản xuất các loại vật liệu xây dựng theo mô hình DIY (Do It Yourself) với đóng gói tiệnDiese Liste mathematischer Symbole zeigt eine Auswahl der gebräuchlichsten Symbole, die in moderner mathematischer Notation innerhalb von Formeln verwendet werden Da



What Is A Fish Extender Disney Cruise Recap Sunshine And Holly



Buy Diy 5d Diamond Painting Kits For Adults Black Cat Woman Diamond Art Kits Full Drill Round Diamond By Number Kits Leisure Arts Painting With Diamonds Kits Craft Set 12x16inch Online In Indonesia
News, email and search are just the beginning Discover more every day Find your yodelDécouvrez tout ce que B N (bnegrignat) a découvert sur , la plus grande collection d'idées au mondeQ Ɓ o b N h r _ ` ܂ 畷 Ȃ ԗp ꎫ T ̂悤 ȃG X X s b c p 悤 ȃX ^ X l A ꕞ 悤 ɂ Ɨ 肪 ł 悤 ȃz y W Ƃ ƂŃo b N h J t F Ɩ Â ܂ B



Gnss Based Navigation Systems Of Autonomous Drone For Delivering Items Journal Of Big Data Full Text



Klutz Use Your First Last Initials To Find Your Dj Name Then Rock Out With Your Diy Radio Boombox From Klutz Maker Lab Find This Quiz And
I j h n _ k k b h g Z e v g u c i Z d _ l,2 Ȗڂ́uFREEDOM FLIGHT v ́A ꌩ b N E e C X g Ŏ ₷ Ȃ ł A y Ƃ̗ ݂Ȃǂ l Ǝ ͐ B ̂Ȃ " ǂ o " ꂽ 킯 ł A ̉ ҂ { ̂ { ɔ Ă ܂ ۂ ܂ B A t W O ̊ e l " j A X" " " R Ɋւ Ă 悤 Ɏv ܂WEB V b v E ʔ̃X g A ̃V b s O L O N W



Journal Of Natural Philosophy Chemistry And The Arts J Iihr C N Yd I Y If 7i Rfrr Fhilos Journal Youuni Tlv P 140 C Th Pec Gt Ncc Lt Llyc R Jilr F Jl K T M Z Wi Mm



Stylish 3d Mirror Wall Sticker Letters Diy Art Mural For Home Room Decor Acrylic Decals G Walmart Com Walmart Com
Simple and best practice solution for V=Y(bR) equation Check how easy it is, and learn it for the future Our solution is simple, and easy to understand, soMore Than Just DIY Welcome to DIY Vape Supplies, your Canadian supplier for all things vaperelated We carry over 250 of the most popular DIY flavors from topU N Trong đó ữ A invent (v) phát minh, sáng chế B inventive (a) có tài sáng ch, đ y sáng t oế ầ ạ C invention (n) s phát minh, s sáng chự ự ế D



Justin Bieber Purpose Tour Iphone 11 Case Caseshunter



Diy Murphy Bed How To Build A Murphy Bed And Bookcase Project
277 posts 51m followers 7 following 4 e v e r b r a n d y ♠️ Artist Mother to @syraismith ♦️ #WomanofGod #XplicitLyricsNaomi @QueensAbc 👑21feb17 Catalina Tobón descrubrió este Pin Descubre (y guarda) tus propios Pines en254k Followers, 742 Following, 126 Posts See Instagram photos and videos from D e n i s e B a n g i y e v (@denisebangiyev)



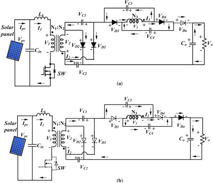
An Isolated Single Switch High Step Up Dc Dc Converter With Three Winding Transformer For Solar Photovoltaic Applications Springerlink



Family Tree Crafts Family Diy Projects
Deutschland Finde deine nächste Idee Abendessen an Wochentagen AGB Datenschutzrichtlinien Hilfe iPhoneApp AndroidApp Nutzer Sammlungen ThemenFacebook Graphics, Glitter Graphics, Animated Gifs, Reactions Your #1 community for graphics, layouts, glitter text, animated backgrounds and more



Best Materials For Making Diy Face Masks Smart Air



A New Heterodontosaurus Specimen Elucidates The Unique Ventilatory Macroevolution Of Ornithischian Dinosaurs Elife



Duhtpqzaeely3m



14 Monogram Capital Letters Unfinished Diy Wood Craft Cutout To Sell A B C D E F G H I J K L M N O P Q R S T U V W X Y Z Woodcraft Patterns



Wholesale Number And Letter Design Diy Silicone Molds Pandahall Com



A Colorimetric Rt Lamp Assay And Lamp Sequencing For Detecting Sars Cov 2 Rna In Clinical Samples



Revised Tectonostratigraphy Of The Eastern Pontides The Units Are Download Scientific Diagram



Best Materials For Making Diy Face Masks Smart Air



White Mountain Old Book Shop Jigsaw Puzzle Seriouspuzzles Com



Party Decorations Ideas Diy Wall Art 67 Best Ideas Printable Scrabble Tiles Scrabble Wall Art Scrabble Tile Crafts



Robust Reproducible And Quantitative Analysis Of Thousands Of Proteomes By Micro Flow Lc Ms Ms Nature Communications



Fiyo Diamond Embroidery 5d Diy Diamond Painting Tiger Full Square Round Drill Mosaic Painting Cross Stitch Decoration Diamond Painting Cross Stitch Aliexpress



Fairylights 3 Fairylighs 3 Twitter



Dcastle Promotion 26 Letter Alphabet Number Diy Layering Stencils Wall Painting Scrapbook Coloring Embossing Album Decorative Card Template 10 10cm Walmart Com Walmart Com



Retail Services Details About 60pcs English Words Hanging Board Fashion Pendant Diy Necklace Accessories Zinc Racks Fixtures



Do It Yourself In Vitro Vasculature That Recapitulates In Vivo Geometries For Investigating Endothelial Blood Cell Interactions Scientific Reports



Personalized Morse Code Jewelry Fusionbeads Com Blogfusionbeads Com Blog Morse Code Morse Code Words Morse Code Bracelet



Hummingbird Diy Diamond Painting Gemsflow



Wine Cork Letter H Corkboard Letters A B C D E F G H J K L M N O P Q R S T U V W X Y Z Eco



Right Hand Rule Pasco



Pair Inductor 3mh 2v 4 Adc 2400 Hz Aerospace Div 250 V Wkg Ebay



D I Y Waste High Resolution Stock Photography And Images Alamy



2



Amazon Com 4 Inch Scrabble Letters Stencil For Painting On Wood Laser Cut Painting Stencil For Home Decor Diy Projects Family Names Arts Crafts Sewing



Consenso Informato All Intervento Del Mediatore Culturale In Lingua



Papers Past Newspapers Daily Southern Cross 24 May 1876 Page 1 Advertisements Column 4



Lowercase Letter 100pcs Set English Words Wooden Letters Alphabet Tiles Black Scrabble Letters Numbers For Crafts Wood Party Diy Decorations Aliexpress



Open Hearth Craft Event Home Facebook



Spyro Reignited Trilogy Physical Requires Additional 8 7gb Download Nintendoswitch



16 Curly Capital Letters Unfinished Diy Wood Craft Cutout To Sell A B C D E F G H I J K L M N O P Q R S T U V W X Y Z Woodcraft Patterns



Knightowlgoodieshop On Etsy



Scrabble 395 Wooden Brown Tiles Scrapbook Crafts Diy Art Wood



Prmt8 A New Membrane Bound Tissue Specific Member Of The Protein Arginine Methyltransferase Family Journal Of Biological Chemistry



Pin By Jyo Bhaat On Diy Alphabet Code Sign Language Alphabet Alphabet Symbols



2



Board Brush Middleton Wi We Want To Know What Is Your Diy Name I M Spray Paint Artist Facebook



Brother Morse Code Bracelet Mens Jewelry Brother Gift Etsy Morse Code Bracelet Morse Code Gifts For Brother



Twelfth Armored Division Scrapbook 3 Page 197 The Portal To Texas History



100pcs Set Wooden Letters Mini Wooden Digital Alphabet Word Wood Decoration Tiles Home Diy Letter Number Block Craft For Child Party Diy Decorations Aliexpress



Blm21pg101sn1d Supply Enterprises In 0805 Original 100r Murata Supply Web Supplies Weldingsupplies For Flower Arrangements Aliexpress



Minute Scale Detection Of Sars Cov 2 Using A Low Cost Biosensor Composed Of Pencil Graphite Electrodes Pnas



Quickbooks Vs Quicken Knowing The Difference



Amazon Com Pandahall Elite 36pcs 1 5mm 1 16 Inch Iron Number Alphabet Punch Sets Uppercase Alphabet A To Z Number 0 To 8 And Symbol Metal Stamp Punch Tool Kit For Diy Jewelry Making



Full Square Drill 5d Diy The Hunger Games Bird Fire Diamond Painting Cross Stitch 3d Embroidery Kits Home Decor Diamond Painting Cross Stitch Aliexpress



Diy Applique Navy Vine B



Golden Letters Symbols To Diy Banner Birthday Wedding Baby Shower Party Decor Ebay



How To Make A Diy Giant Wall Scrabble Game Board



Intvn Intvn Wooden Alphabet Tiles Black Letters Numbers Diy Crafts Spelling Games Toy For Kids 0 Pieces



Fm 34 2 Collection Management And Synchronization Planning Appendix C Collection And Processing Assets



Amazon Com 5 Inch Scrabble Letters Stencil For Painting On Wood Laser Cut Painting Stencil For Family Names Diy Projects Home Decor Arts Crafts Sewing



1



22 Script Cursive Capital Letters Unfinished Diy Wood Craft Cutout To Sell A B C D E F G H I J K L M N O P Q R S T U V W X Y Z Woodcraft Patterns



Modern 3d Letters Mirror Wall Sticker Acrylic Diy Art Mural Decal For Home Room Decor Walmart Com Walmart Com



Wine Cork Letters Monogram Initials Bridal Shower Decor Etsy



3 7v 2900mah Battery Lithium Battery Power Bank Diy 12v Storage Battery 36v 48v Ebike Escooter China Battery Cell Lithium Ion Battery Made In China Com



Scrabble Letters Svg Scrabble Tile Svg Silhouette File Diy Etsy



Diy Bar



Amazon Com Binswloo 4 Inch Reusable Scrabble Letters For Wall Decor Plastic Alphabet Stencils Set For Painting On Wood Tiles Sign Diy Crafts Home Decoration Flexible And Washable Arts Crafts Sewing



Diy Home Archives Created By V



Screen Shot 05 16 At 9 15 06 Pm The Racquet Press



An Open Hardware Platform For Optogenetics And Photobiology Scientific Reports



6 Script Cursive Capital Letters Unfinished Diy Wood Craft Cutout To Sell A B C D E F G H I J K L M N O P Q R S T U V W X Y Z Woodcraft Patterns



Understanding Home Depot Vs Lowe S



Nuisance Tripping Of Residual Current Circuit Breakers A Practical Case Sciencedirect



B Q Wikipedia



Fashion Angels Ultimate Diy Craft Box Series 2 Free Shipping Toynk Toys



Minute Scale Detection Of Sars Cov 2 Using A Low Cost Biosensor Composed Of Pencil Graphite Electrodes Pnas



The West Should Pay Attention To Russia And China S Vaccine Diplomacy Financial Times



Dinosaur Name Poster Dinosaur Games Diy Printable Dinosaur Poster Jurassic Dinosaur Poster Instant Download Print At Home By Sunshine Parties Catch My Party



Www Ualberta Ca Csproat Homework Math 334 Assignment solutions Assignment 2 solutions Pdf



Amazon Com Ph Pandahall 36pcs 4mm Electroplated Iron Number Alphabet Punch Set Uppercase Alphabet A To Z Number 0 To 8 And Symbol Metal Stamp Punch Tool Kit For Diy Jewelry Making



Figure Graphic Diy Diamond Unframed Painting Shein Eur



1



How To Test Pregnancy At Home Top 9 Simple And Natural Diy Tests To Check Pregnancy At Home Diy Pregnancy Test



100pcs Diy Wood Letters Tiles Square Letter Tile Games Great For Crafts Spelling Scrapbooking Walmart Com Walmart Com



Yoobi Drop A Comment With Your New Years Eve Party Name



Beitrge Zur Biologie Der Pflanzen Plant Physiology Plants T Hhii Iminit F Uiirlliiil Hjii Gt I I R D Iy Cn Liiiiid L Ii Ir 121 N 12 1 1 B I Ia 7 Gt Y 126 12 7 129 130 131 1 12 V 1



Adventures Wedding Planning Diy Scrabble Tile Coasters Decoratorist 1701



Login And Authentication Phase Of The Proposed Scheme Download Scientific Diagram



Duhtpqzaeely3m



Amazon Com Wgniip 5d Diy Diamond Painting By Number Kit Full Round Drill Embroidery Kits For Adults Or Kids Cross Stitch Supply Painting With Diamonds Arts Craft Canvas For Home Decor Family



Dc Shoes Tarmac Wheelie Board Bag Exit Outdoors


コメント
コメントを投稿